
北京精微高博仪器有限公司
白金会员
已认证

北京精微高博仪器有限公司
白金会员
已认证

产品概览
AMI在用于生物燃料应用的BenchCAT反应器的设计和建造方面拥有丰富的经验。近年来,生物燃料工艺的研究已成为一个重要的研究领域。尽管在很大程度上仍处于研究阶段,但正在取得实质性进展,这使得在不久的将来开发商业工艺成为可能。
生物燃料是一个广义的术语,指的是任何非化石来源的燃料。在*简单的形式中,它可以是通过发酵从甘蔗或玉米中生产的乙醇。然而,醇基燃料缺乏汽油或柴油等传统化石燃料的能量密度。目前的工作重点是开发在性质和性能上与汽油或柴油非常相似的生物燃料。
生物燃料可以从各种来源获得,包括城市垃圾、木屑、大豆和藻类。根据来源,使用不同的工艺,从而使用不同的反应器设计和条件。下面我们探讨了AMI参与的BenchCAT反应器设计和建造的三种生物燃料生产工艺。
生物质气化
费-托(F-T)工艺可能是生产合成燃料*古老、***的方法1。*初的工艺是在20世纪20年代和30年代开发的,到20世纪30年代末在德国商业化。F-T工艺是为汽车和军事装备生产燃料。
F-T工艺可用于从几乎任何含碳生物质中生产生物燃料,包括城市垃圾、木屑、赛璐珞草等。该过程的**步是生物质气化形成合成气(H2+CO)。然后,使用催化剂(通常是铁或钴)通过F-T工艺将这种合成气转化为碳氢化合物。通过仔细控制关键工艺参数,如温度、压力、H2与CO的比例,可以控制产品成分。F-T工艺可以生产从轻质气体到重质蜡的各种碳氢化合物。
生物质->气化->合成气->燃料
图1显示了AMI设计的典型F-T BenchCAT反应器。这四种气体包括氢气和一氧化碳(合成气)、作为稀释剂的氮气和作为分析内标的氩气。该反应器设计用于在高达400°C的温度和高达1500psig的压力下运行,尽管典型的操作条件较低。该系统包括三个分离器,以方便产品收集:
1.**个分离器保持在约150°C,收集较重的产品,如蜡。
2.第二个分离器设置在80°C,捕获中程碳氢化合物和一些水。
3.第三个分离器保持在室温下,收集低端烃和大量水。
所有分离过程都在反应器的操作压力下进行,确保有效的产品回收。

图1典型F-T BenchCAT反应器示意图。
生物燃料
如前所述,醇类可以归类为生物燃料,尽管与传统的碳氢化合物燃料相比,它们的能量密度较低。醇很容易通过富含糖或淀粉的生物质发酵合成。然后,它们可以通过催化冷凝过程转化为更传统的燃料。例如,汽油系列产品可以通过低级链醇在沸石如ZSM-52上反应获得,而高级系列产品可以使用碱催化的醛醇缩合获得3。
含淀粉物料->醇类->缩合物->燃料
这些过程可以在或多或少传统的固定床反应器中进行。图2描述了可用于醇缩合的反应器。泵用于供给液态醇,气体和液体进料在进入反应器之前都经过预热器。热交换器和气液分离器位于高压区。气体产品从分离器顶部流出,而液体产品从底部抽出。液位传感和自动阀可用于完全自动化该过程。

适用于研究的BenchCAT反应器示意图
反酯化反应
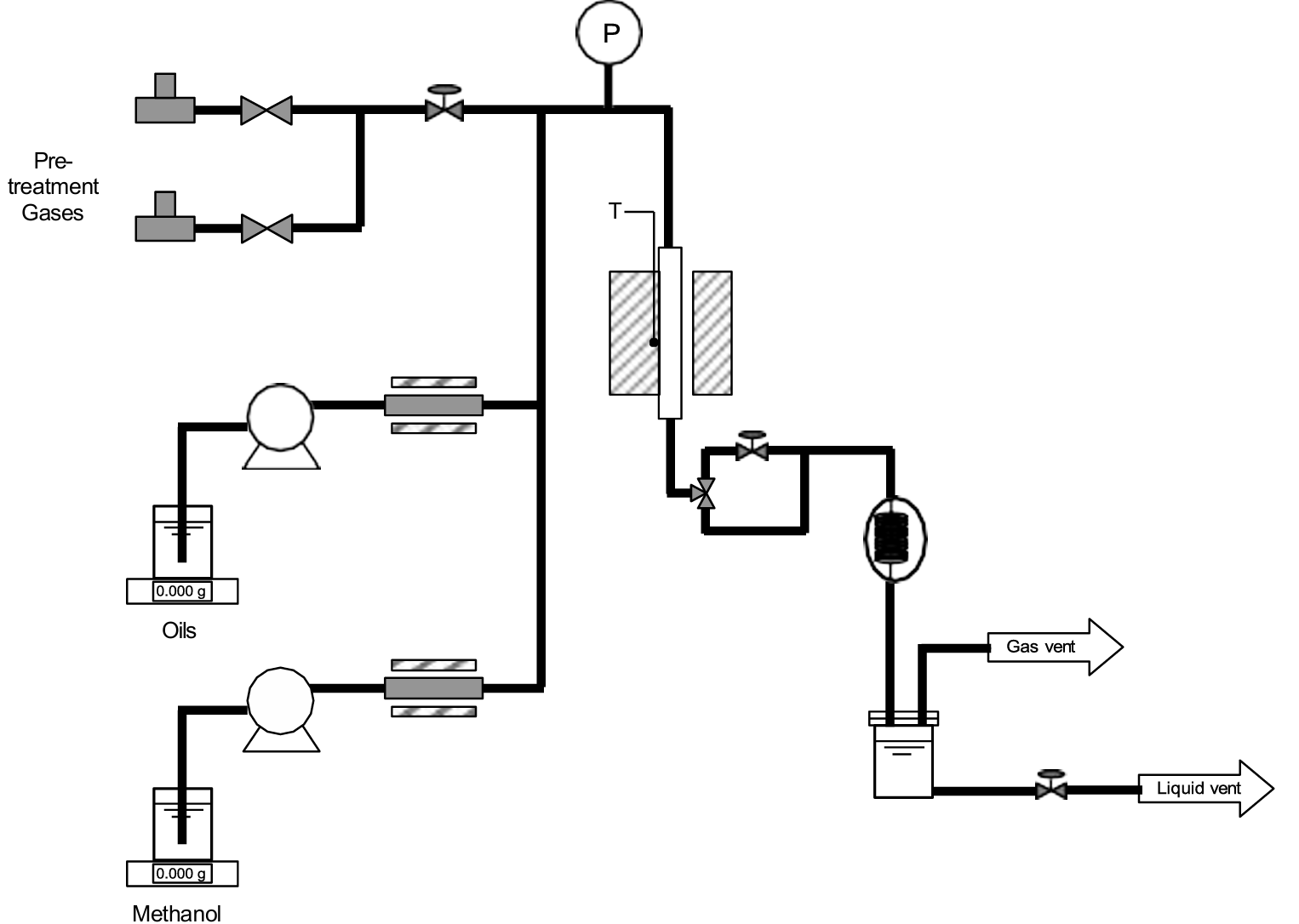
生物燃料也可以通过油或脂质与甲醇等简单醇的酯交换来生产。据报道,这种反应使用了各种脂质来源,如菜籽油、大豆油、废植物油和藻类油。在催化反应中,催化剂是碱,通常是NaOH。反应也可以在催化剂存在或不存在的情况下在超临界条件下进行4。
图3是可用于油的催化酯化和超临界酯化的反应器示意图。
图4(背面)显示了反应堆的照片。这种特殊的反应器在室温下的额定温度为350°C和350巴(约5200 psig)或700°C。较高的温度等级用于预处理催化剂。管式反应器由因康镍合金制成,以实现这些双重条件。请注意,在该反应器中,减压发生在产品收集之前。

图3用于脂质超临界酯交换的BenchCAT反应器示意图

图4用于脂质超临界酯交换的BenchCAT反应器
BenchCATs 生物燃料催化评价系统的工作原理介绍?
BenchCATs 生物燃料催化评价系统的使用方法?
BenchCATs 生物燃料催化评价系统多少钱一台?
BenchCATs 生物燃料催化评价系统使用的注意事项
BenchCATs 生物燃料催化评价系统的说明书有吗?
BenchCATs 生物燃料催化评价系统的操作规程有吗?
BenchCATs 生物燃料催化评价系统的报价含票含运费吗?
BenchCATs 生物燃料催化评价系统有现货吗?
BenchCATs 生物燃料催化评价系统包安装吗?相关产品
更多
相关方案
更多
企业名称
北京精微高博仪器有限公司企业类型
其他有限责任公司信用代码
91110102799022090H法人代表
马志远注册地址
北京市北京经济技术开发区经海七路10号院10号楼4层成立日期
2020-12-09注册资本
500万(元)有效期限
2020-12-09 至 无固定期限经营范围
制造实验分析仪器;软件开发;基础软件服务;应用软件服务;计算机系统服务;技术开发、技术转让、技术推广、技术服务、技术咨询;销售机械设备、电子产品、计算机、软件及辅助设备;货物进出口;技术进出口;代理进出口;维修机械设备。(市场主体依法自主选择经营项目,开展经营活动;依法须经批准的项目,经相关部门批准后依批准的内容开展经营活动;不得从事国家和本市产业政策禁止和限制类项目的经营活动。)
400-810-0069转3668
虚拟号将在 秒后失效
使用微信扫码拨号
